Bơm chân không vòng dầu 1 cấp Becker O 6.8
- Model: O 6.8
- Hãng sản xuất: Becker - Germany
- Xuất xứ: Germany
- Công suất: 0.3 kw
- Lưu lượng hút: 8m3/h
- Áp suất chân không: 2 mbar
- Loại bơm: Vòng dầu 1 cấp
Hàng nhập khẩu chính hãng! Đầy đủ CO, CQ
Đội ngũ chuyên gia với trên 12 năm kinh nghiệm
Luôn cập nhật những công nghệ mới nhất
Giá bán tốt nhất, bảo hành uy tín nhất!
Bơm chân không vòng dầu 1 cấp Becker O 6.8 là giải pháp chân không hữu hiệu khi sở hữu lưu lượng hút tới 8 m³/giờ, áp suất chân không tuyệt đối 2 mbar. Dù hoạt động với công suất lớn nhưng máy vẫn đảm bảo độ ồn, độ rung lắc ổn định khi có 58 db(A). Để hiểu chi tiết hơn về sản phẩm bơm vòng dầu 1 cấp Becker O 6.8, hãy cùng chúng tôi khám phá ngay trong bài viết dưới đây nhé.
Nội dung chính
1. Thông số kỹ thuật bơm chân không vòng dầu 1 cấp Becker O 6.8
| Thông số kỹ thuật | Đơn vị tính | O 6.8 |
| Tần số | Hz | 50 |
| Lưu lượng | m3/h | 8 |
| Áp suất chân không | mbar | 2 |
| Công suất | kw | 0,3 |
| Tốc độ quay | vòng/phút | 2870 |
| Độ ồn | db | 58 |
| Trọng lượng | kg | 10 |
2. Cấu tạo máy bơm hút chân không vòng dầu 1 cấp Becker O 6.8
2.1 Cấu Tạo

Cấu tạo Bơm vòng dầu 1 cấp Becker O 6.8
Máy bơm hút chân không vòng dầu 1 cấp Becker O 6.8 được sản xuất theo công nghệ cao của Đức có cấu tạo như sau:
- Cấu tạo thân máy được làm từ hợp kim chất lượng cao, có thể hoạt động trong những môi trường khắc nghiệt khác nhau
- Bộ phận đổ và chứa dầu, ống xả dầu, kính quan sát hoạt động của dầu
- Cánh gạt: giúp tạo lực hút và có thể duy trì áp suất chân không
- Bộ tách dầu và van điều chỉnh 1 chiều được tích hợp
- Rotor hoạt động quay quanh trục chính tạo nên hiệu suất làm việc của bơm
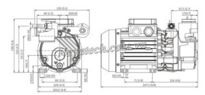
2.2 Kích thước
Bơm vòng dầu 1 cấp Becker O 6.8 có kích thước nhỏ gọn, tương ứng chiều dài, chiều rộng và chiều cao là 295*132*220. Dù có cấu tạo thiết kế nhỏ gọn nhưng máy vẫn đảm bảo đạt hiệu suất cao khi sử dụng, đồng thời máy còn ứng dụng cho nhiều ngành công nghiệp khác.
2.3 Đường cong hiệu suất

Đường cong hiệu suất bơm chân không Becker O 6.8
Đường cong hiệu suất của máy bơm vòng dầu 1 cấp Becker O 6.8 có đường cong hiệu suất ổn định, đảm bảo áp suất chân không không bị sụt giảm đột ngột trong quá trình vận hành máy bơm.
Hơn hết, máy Becker O 6.8 còn có khả năng duy trì thời gian làm việc trong nhiều giờ mà vẫn không bị ảnh hưởng tới chất lượng.
3. Tính năng nổi bật của bơm
- Becker O 6.8 có lưu lượng hút lên tới 8m³/h đảm bảo độ chân cao luôn đạt mức tuyệt đối
- Với thiết kế nhỏ gọn, chỉ khoảng 10kg, máy có thể dễ dàng lắp đặt ở nhiều vị trí khác nhau. Đồng thời, quá trình bảo dưỡng cũng được thực hiện nhanh gọn hơn
- Bơm vòng dầu Becker O 6.8 có động cơ hoạt động công suất cao, máy có thể hoạt động êm ái trong nhiều giờ mà không gây tiếng ồn
- Mức độ ồn của máy chỉ đạt khoảng 60 db(A), vì vậy, khi hoạt động máy không ảnh hưởng nhiều sang môi trường xung quanh.
4. Ứng dụng bơm vòng dầu 1 cấp Becker O 6.8
Bơm được ứng dụng trong nhiều lĩnh vực sản xuất công nghiệp, cụ thể như sau:
- Ngành y tế: máy được ứng dụng trong các hệ thống bơm hút chân không của bệnh viện, hoặc sử dụng trong các quy trình thí nghiệm, siêu âm hay sản xuất dược phẩm….
- Chế biến và đóng gói thực phẩm: sử dụng máy bơm chân không để chế biến và đóng gói giúp cho thực phẩm không bị oxy hóa, bảo quản được lâu mà vẫn đảm bảo đạt chất lượng cao
- Sản xuất linh kiện điện tử: máy bơm chân không sẽ hỗ trợ người dùng lắp ráp linh kiện điện tử, mao mạch bên trong
5. Tiêu chuẩn
Máy bơm chân không vòng dầu 1 cấp Becker O 6.8 được sản xuất theo công nghệ hiện đại của Đức vì vậy sản phẩm đều đạt theo các tiêu chuẩn chất lượng Quốc tế ISO 9001 và CE đảm bảo an toàn, chất lượng cao trong suốt quá trình hoạt động
6. Tư vấn
6.1 Tư vấn lắp đặt
Để giữ cho máy luôn an toàn, bền hoạt động trong thời gian dài, người dùng cần lắp đặt máy tại các vị trí khô ráo, thoáng, tránh những nơi bị ảnh hưởng như mưa, nắng.
Vị trí lắp đặt máy bơm nên được nối với nguồn điện ổn định, đường điện dành cho bơm nên tách rời với các đường điện khác để đảm bảo không bị quá tải khi các thiết bị sử dụng cùng một lúc.
6.2 Hướng dẫn vận hành
Để máy luôn hoạt động ổn định, khi vận hành máy người dùng cần kiểm tra toàn bộ hệ thống trước khi mở cầu dao. Ngoài ra, khi khởi động máy, cần quan sát quá trình máy chạy, lắng nghe tiếng kêu để phán đoán tình trạng của máy.
Sau khi máy chạy ổn định, người dùng có thể giảm áp suất theo nhu cầu chân không mà mình mong muốn.
6.3 Hướng dẫn bảo dưỡng
Để bảo vệ máy, người dùng cần tuân thủ các hướng dẫn bảo dưỡng từ nhà sản xuất như:
- Kiểm tra và thay dầu định kỳ để bảo vệ động cơ của máy luôn khỏe
- Kiểm tra và vệ sinh máy, bộ lọc dầu: đảm bảo máy ổn định, vệ sinh các bộ lọc để loại bỏ các cặn bẩn của máy
- Kiểm tra và thay cánh gạt trong trường hợp cánh có dấu hiệu mài mòn
- Kiểm tra định kỳ hệ thống làm mát đảm bảo quá trình hoạt động vẫn bình thường, tránh quá nhiệt khi sử dụng.
Bơm chân không vòng dầu 1 cấp Becker O 6.8 là sự lựa chọn tối ưu dành cho các doanh nghiệp, đơn vị sản xuất mong muốn có mức chân không cao trong hoạt động của mình. Hãy liên hệ với Navatech để được tư vấn chi tiết hơn về sản phẩm và nhận báo giá hợp lý.




