Bơm chân không khô Ulvac DAP-18S-DC24
- Model: DOP-9D-DC24-1
- Hãng sản xuất: Ulvac - Japan
- Xuất xứ: Japan
- Công suất: 14W
- Lưu lượng hút: 18 L/min
- Áp suất chân không: 24.0 x 10² Pa
- Loại bơm: Khô
Hàng nhập khẩu chính hãng! Đầy đủ CO, CQ
Đội ngũ chuyên gia với trên 12 năm kinh nghiệm
Luôn cập nhật những công nghệ mới nhất
Giá bán tốt nhất, bảo hành uy tín nhất!
Với tốc độ bơm lên đến 18 L/phút, áp suất tối hậu đạt 2.4 × 10² Pa, cùng động cơ DC không chổi than 24V, bơm chân không khô Ulvac DAP-18S-DC24 là lựa chọn hàng đầu cho các hệ thống yêu cầu hiệu suất cao, hoạt động ổn định và sạch sẽ. Sản phẩm này đặc biệt lý tưởng trong các lĩnh vực công nghệ cao, y tế và sản xuất chính xác. Cùng khám phá chi tiết model DAP-18S-DC24 để hiểu vì sao đây là dòng bơm được ưa chuộng trong nhiều ứng dụng hiện đại.
Nội dung chính
1. Thông số kỹ thuật bơm chân không khô Ulvac DAP-18S-DC24
| Thông số | Đơn vị tính | DAP-18S-DC24 |
| Tần số | Hz | 50 |
| Lưu lượng hút | L/phút | 18 |
| Áp suất chân không | Pa | 24.0 x 10² |
| Công suất động cơ | W | 14 |
| Tốc độ quay | vòng/phút | 1600 |
| Độ ồn | dB(A) | 54 |
2. Cấu tạo sản phẩm bơm chân không khô Ulvac DAP-18S-DC24
2.1 Cấu tạo chung
- Bơm chân không DAP-18S-DC24 hoạt động dựa trên nguyên lý màng cao su – một thiết kế tối ưu để tạo ra chân không sạch, không dầu.
- Bên trong là động cơ DC không chổi than công suất 14W, giúp thiết bị vận hành liên tục, ít hao mòn và tiết kiệm điện năng.

Cấu tạo bơm chân không khô Ulvac DAP-18S-DC24
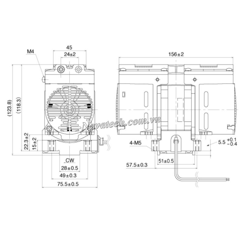
2.2 Kích thước
DAP-18S-DC24 có kích thước 83.5 x 165 x 123.8 mm, cực kỳ nhỏ gọn và dễ dàng lắp đặt trong các hệ thống thiết bị điện tử; y tế hoặc phòng thí nghiệm mà không chiếm nhiều không gian.
2.3 Đường cong hiệu suất
- Thiết bị giữ hiệu suất bơm ổn định với lưu lượng lên đến 18 L/phút ở điều kiện áp suất thấp.
- Khả năng duy trì tốc độ hút ổn định và bền bỉ trong thời gian dài giúp đảm bảo hiệu quả hoạt động tối ưu cho toàn hệ thống.

Đường cong hiệu suất bơm chân không khô Ulvac DAP-18S-DC24
3. Tính năng nổi bật bơm chân không Ulvac DAP-18S-DC24
- Chân không không dầu: Vận hành sạch sẽ, thân thiện với môi trường và an toàn cho thiết bị nhạy cảm.
- Động cơ không chổi than: Tuổi thọ cao, vận hành ổn định, không cần bảo trì thường xuyên.
- Lưu lượng lớn trong thiết kế nhỏ gọn: Phù hợp với các hệ thống có yêu cầu lưu lượng cao nhưng giới hạn không gian.
- Tiếng ồn và rung động thấp: Tạo môi trường làm việc yên tĩnh, phù hợp cho các thiết bị y tế, quang học.
- Dễ dàng tích hợp: Thiết kế thân thiện cho kỹ thuật viên khi lắp đặt và vận hành.
4. Ứng dụng bơm chân không khô Ulvac DAP-18S-DC24
DAP-18S-DC24 được ứng dụng rộng rãi trong nhiều lĩnh vực:
- Thao tác gắp, nâng và di chuyển wafer cùng các bộ phận điện tử.
- Sử dụng nhíp chân không trong quy trình chế tạo thiết bị y khoa.
- Ứng dụng trong máy in công nghiệp và hệ thống đóng gói tự động.
- Dùng cho các thiết bị quang học và hệ thống kính hiển vi.
- Phù hợp với hệ thống khử trùng và các ứng dụng trong phòng lab.
5. Tiêu chuẩn chất lượng
- Sản phẩm thuộc dòng bơm chân không cao cấp của ULVAC – Nhật Bản, đáp ứng đầy đủ các tiêu chuẩn chất lượng quốc tế về độ bền, hiệu suất và độ an toàn.
- Thiết kế tối ưu cho môi trường sạch, đạt chuẩn CE và RoHS, phù hợp với yêu cầu nghiêm ngặt của các ngành công nghệ cao.
6. Tư vấn lắp đặt và vận hành
6.1 Tư vấn lắp đặt
- Đặt bơm tại nơi khô ráo, thông thoáng, tránh tiếp xúc trực tiếp với nước hoặc ánh nắng.
- Sử dụng nguồn điện DC 24V ổn định, phù hợp với thông số kỹ thuật.
- Kết nối đúng chuẩn ống hút/xả Rc 1/8 để đảm bảo kín khí và an toàn.
- Hạn chế lắp gần thiết bị rung động mạnh hoặc môi trường có bụi mịn.
6.2 Hướng dẫn bảo dưỡng
- Kiểm tra và vệ sinh định kỳ khu vực hút và xả để đảm bảo lưu lượng ổn định.
- Kiểm tra đầu nối điện và hệ thống cơ khí ít nhất mỗi 3 – 6 tháng.
- Thay màng cao su theo khuyến nghị của nhà sản xuất sau một số chu kỳ vận hành.
- Đảm bảo tắt nguồn trước khi thao tác kiểm tra hoặc bảo trì.
Bơm chân không khô Ulvac DAP-18S-DC24 là thiết bị lý tưởng để nâng cao hiệu quả và độ sạch trong các hệ thống chân không hiện đại. Với lưu lượng mạnh, kích thước nhỏ gọn, động cơ bền bỉ và khả năng vận hành sạch, sản phẩm này sẽ đáp ứng tốt mọi yêu cầu khắt khe về kỹ thuật và môi trường vận hành. Liên hệ ngay với chúng tôi để nhận báo giá tốt nhất và tư vấn kỹ thuật chi tiết cho hệ thống của bạn.



