Bơm Chân Không Vòng Dầu 1 Cấp DooVac MVO-010
- Model: MVO-010
- Hãng sản xuất: Doovac - Korea
- Xuất xứ: Korea
- Lưu lượng hút: 10 m3/h
- Áp suất chân không: 0.5 mbar
- Công suất: 0.55 kw
- Loại bơm: Vòng dầu 1 cấp
Hàng nhập khẩu chính hãng! Đầy đủ CO, CQ
Đội ngũ chuyên gia với trên 12 năm kinh nghiệm
Luôn cập nhật những công nghệ mới nhất
Giá bán tốt nhất, bảo hành uy tín nhất!
Bơm chân không vòng dầu 1 cấp DooVac MVO-010 với thiết kế nhỏ gọn, độ bền cao và hiệu suất hoạt động ổn định, máy này được ứng dụng rộng rãi trong nhiều lĩnh vực . Sản phẩm sử dụng công nghệ cánh quạt quay và hệ thống dầu tuần hoàn, đảm bảo hiệu suất ổn định ngay cả trong môi trường làm việc khắc nghiệt. Hãy cùng tìm hiểu chi tiết các thông số kỹ thuật, cấu tạo và tính năng nổi bật của máy bơm MVO-010 trong bài viết dưới đây.
Nội dung chính
- 1. Thông số kỹ thuật bơm chân không vòng dầu 1 cấp DooVac MVO-010
- 2. Cấu tạo bơm chân không vòng dầu 1 cấp DooVac MVO-010
- 3. Cơ chế hoạt động bơm vòng dầu 1 cấp DooVac MVO-010
- 4. Tính năng nổi bật bơm DooVac MVO-010
- 5. Ứng dụng bơm chân không vòng dầu DooVac MVO-010
- 6. Tiêu chuẩn bơm chân không DooVac MVO-010
- 7. Tư vấn lắp đặt bơm chân không vòng dầu 1 cấp DooVac MVO-010
1. Thông số kỹ thuật bơm chân không vòng dầu 1 cấp DooVac MVO-010
| Thông số kỹ thuật | Đơn vị tính | MVO-010 |
| Tần số | Hz | 50 |
| Lưu lượng | m3/h | 10 |
| Áp suất chân không | mbar | 0.5 (A); 20 (C) |
| Công suất động cơ | kW | 0.55 (3 pha/1 pha) |
| Tốc độ quay | vòng/phút | 1400 |
| Độ ồn | db | 58 |
| Định mức dầu | lít | 0.4 |
| Trọng lượng | kg | 20 |
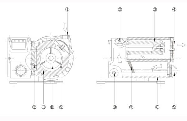
2. Cấu tạo bơm chân không vòng dầu 1 cấp DooVac MVO-010
2.1. Cấu tạo

Cấu tạo bơm vòng dầu 1 cấp DooVac MVO-010
Máy bơm chân không vòng dầu 1 cấp MVO-010 bao gồm các bộ phận chính:
- A – Cổng hút khí lạnh: Cho phép hút khí vào để tạo chân không.
- B – Cổng xả khí lạnh: Đẩy khí ra khỏi máy sau khi đã xử lý.
- C – Mặt bích cổng hút: Kết nối với hệ thống chân không.
- C-1 – Mặt bích cổng hút phụ: Giúp linh hoạt trong việc nối ống hút.
- D – Cổng xả: Đảm bảo khí thải được đẩy ra dễ dàng.
- E – Nắp đổ dầu: Dễ dàng đổ thêm dầu chân không khi cần thiết.
- F – Thân bơm: Bảo vệ các bộ phận bên trong và tạo độ bền cho máy.
- G – Kính dầu: Cho phép quan sát mức dầu bên trong máy.
- H – Nút xả dầu: Giúp xả dầu thừa khi bảo trì máy.
2.2. Kích thước

Kích thước bơm vòng dầu 1 cấp DooVac MVO-010
- Máy DooVac MVO-010 có kích thước nhỏ gọn 410x231x220mm với trọng lượng chỉ 20 kg, dễ dàng lắp đặt và vận chuyển.
- Kích thước chuẩn của máy cho phép đặt máy trong các không gian hạn chế nhưng vẫn đảm bảo hiệu suất cao.
2.3. Đường cong hiệu suất
- Máy MVO-010 duy trì lưu lượng hút ở mức 10 m³/h, với khả năng duy trì áp suất chân không 0.5 mbar (Model A) và 20 mbar (Model C).
- Đường cong hiệu suất cho thấy máy có khả năng hoạt động ổn định trong thời gian dài, kể cả khi phải hoạt động liên tục.

Tốc độ bơm chân không vòng dầu DooVac MVO-010
3. Cơ chế hoạt động bơm vòng dầu 1 cấp DooVac MVO-010
- DooVac MVO-010 là dòng bơm chân không vòng dầu một cấp, hoạt động dựa trên nguyên lý sử dụng dầu tuần hoàn để vừa bôi trơn, vừa làm mát toàn bộ hệ thống. Cơ chế này giúp máy vận hành ổn định, giảm ma sát và tăng tuổi thọ linh kiện.
- Với thiết kế một cấp nén, MVO-010 có cấu tạo đơn giản nhưng cho lưu lượng hút lớn; đáp ứng tốt các ứng dụng cần hút nhanh và liên tục trên diện rộng. Tuy nhiên, do không đạt được độ chân không sâu, thiết bị phù hợp hơn với các quy trình không đòi hỏi áp suất siêu thấp.
4. Tính năng nổi bật bơm DooVac MVO-010
- Độ tin cậy cao: Máy được sản xuất từ các vật liệu chất lượng cao, tuân thủ các tiêu chuẩn quốc tế như ISO 9001 và CE; đảm bảo máy có độ bền và độ chính xác cao trong sản xuất và vận hành.
- An toàn với môi trường: Với hệ thống thải khí không dầu và độ ồn thấp (chỉ 58 dB), máy hoạt động yên tĩnh và không gây ô nhiễm không khí, phù hợp với mọi môi trường làm việc.
- Dễ bảo dưỡng: Nhờ thiết kế nhỏ gọn, dễ dàng tháo lắp, người dùng có thể bảo trì và sửa chữa nhanh chóng. Máy cũng tiết kiệm năng lượng với lượng dầu tiêu thụ thấp (0.4 lít), giúp giảm chi phí vận hành.
- Chất lượng Hàn Quốc: Với chất lượng sản xuất ổn định, sản phẩm có độ bền từ 7 đến 10 năm; phù hợp cho các nhà máy quy mô vừa và nhỏ.
5. Ứng dụng bơm chân không vòng dầu DooVac MVO-010

Ứng dụng bơm vòng dầu 1 cấp DooVac MVO-010
Máy bơm chân không vòng dầu MVO-010 được ứng dụng rộng rãi trong nhiều lĩnh vực:
- Đóng gói chân không: Đảm bảo bao bì thực phẩm và sản phẩm được đóng kín và bảo quản tốt.
- Phòng thí nghiệm: Sử dụng để hút khí và tạo môi trường chân không trong các thí nghiệm.
- Máy sấy chân không: Ứng dụng trong các quy trình làm khô sản phẩm mà không cần sử dụng nhiệt độ cao.
6. Tiêu chuẩn bơm chân không DooVac MVO-010
Máy bơm DooVac MVO-010 là hàng nhập khẩu chính hãng! Đầy đủ CO, CQ. Bảo hành 12 tháng từ nhà sản xuất. Máy bơm được sản xuất theo tiêu chuẩn quốc tế ISO 9001 và CE, đảm bảo chất lượng, hiệu suất và an toàn trong suốt quá trình vận hành.
7. Tư vấn lắp đặt bơm chân không vòng dầu 1 cấp DooVac MVO-010
7.1. Tư vấn lắp đặt
- Khi lắp đặt máy, cần chú ý đặt máy trên bề mặt phẳng và đảm bảo không gian thông thoáng xung quanh máy để tản nhiệt tốt.
- Đảm bảo đường ống hút và xả không bị tắc nghẽn, giúp máy hoạt động hiệu quả.
7.2. Hướng dẫn vận hành
- Trước khi khởi động, kiểm tra mức dầu và đảm bảo dầu trong bình đạt mức yêu cầu.
- Trong quá trình vận hành, theo dõi các thông số trên bảng điều khiển để đảm bảo máy hoạt động ổn định và không xảy ra sự cố.
7.3. Hướng dẫn bảo dưỡng
- Thay dầu định kỳ sau mỗi 500 giờ hoạt động để đảm bảo hiệu suất bơm và kéo dài tuổi thọ của máy.
- Vệ sinh và kiểm tra các bộ lọc khí sau mỗi 1000 giờ sử dụng, đảm bảo khí lưu thông tốt và không gây tắc nghẽn.
- Kiểm tra các bộ phận quay và thay thế khi cần thiết để tránh hư hỏng trong quá trình hoạt động.
Máy bơm chân không vòng dầu 1 cấp DooVac MVO-010 là một lựa chọn lý tưởng cho các doanh nghiệp và ngành công nghiệp cần tạo chân không trong quy trình sản xuất. Hãy liên hệ với chúng tôi qua hotline để nhận tư vấn chi tiết và báo giá tốt nhất cho sản phẩm bơm chân không MVO-010.
Tham khảo thêm một số sản phẩm nổi bật khác:



