Bơm Chân Không Vòng Dầu 1 Cấp Becker O 6.4
- Model: O 6.4
- Hãng sản xuất: Becker - Germany
- Xuất xứ: Germany
- Lưu lượng hút: 4 m³/h
- Công suất: 0,15 kW
- Áp suất chân không: 2 mbar
- Loại bơm: Vòng dầu 1 cấp
Hàng nhập khẩu chính hãng! Đầy đủ CO, CQ
Đội ngũ chuyên gia với trên 12 năm kinh nghiệm
Luôn cập nhật những công nghệ mới nhất
Giá bán tốt nhất, bảo hành uy tín nhất!
Bơm chân không vòng dầu 1 cấp Becker O 6.4 với lưu lượng hút 4 m³/h và áp suất chân không tối đa dưới 2 mbar. Bơm chân không Becker là giải pháp lý tưởng được ứng dụng trong nhiều ngành công nghiệp đòi hỏi độ chân không cao. Sản phẩm bơm vòng dầu 1 cấp O 6.4 đem tới hiệu suất làm việc vượt trội, đáp ứng mọi yêu cầu của người dùng. Hãy cùng Navatech khám phá chi tiết về model sản phẩm này qua nội dung dưới đây nhé.
Nội dung chính
1. Thông số kỹ thuật bơm chân không vòng dầu 1 cấp Becker O 6.4
| Thông số kỹ thuật | Đơn vị tính | O 6.4 |
| Tần số | Hz | 50 |
| Lưu lượng | m3/h | 4 |
| Áp suất chân không | mbar | 2 |
| Công suất | kw | 0,15 |
| Tốc độ quay | vòng/phút | 2850 |
| Độ ồn | db | 48 |
| Trọng lượng | kg | 5,4 |
2. Cấu tạo máy bơm chân không vòng dầu 1 cấp Becker O 6.4
2. 1 Cấu Tạo

Cấu tạo máy bơm vòng dầu 1 cấp Becker O 6.4
Cấu tạo chi tiết máy bơm vòng dầu 1 cấp Becker O 6.4 như sau:
- Thân bơm: được làm bằng vật liệu chắc chắn, có khả năng làm việc trong nhiều môi trường khắc nghiệt
- Van 1 chiều và bộ tách dầu được tích hợp
- Nắp đổ dầu, kính quan sát dầu, ống thải dầu
- Rotor: được quay trên trục chính, tạo nên mức chân không hiệu quả
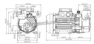
2.2 Kích thước
Kích thước máy bơm vòng dầu 1 cấp Becker O 6.4 theo chiều dài, chiều rộng, chiều cao cụ thể là 300*150*200 mm
2.3 Đường cong hiệu suất

Đường cong hiệu suất bơm Becker O 6.4
Đường cong hiệu suất của bơm chân không Becker O 6.4 chạy ngang, có thể cho thấy rằng máy có hiệu suất làm việc cao, có khả năng hoạt động ổn định trong thời gian dài.
3. Tính năng nổi bật của bơm chân không vòng dầu 1 cấp Becker O 6.4
Những tính năng nổi bật của bơm
- Hiệu suất hút vượt trội: máy đạt lưu lượng hút lên tới 4m³/h, đáp ứng nhu cầu bơm hút chân không trong nhiều ứng dụng
- Áp suất tối ưu: máy có áp suất chân không đạt 2 mbar, giúp quá trình tạo chân không ổn định, hiệu quả trong quá trình sản xuất
- Cấu tạo đơn giản, chắc chắn: máy được làm từ những chất liệu đạt chất lượng cao, có khả năng chịu mài mòn và hoạt động bền bỉ trong nhiều môi trường khắc nghiệt
- Hoạt động êm ái: độ ồn của máy chỉ 48 db(A) giúp giảm tiếng ồn khi hoạt động máy
4. Ứng dụng bơm vòng dầu 1 cấp Becker O 6.4
Máy bơm chân không vòng dầu Becker O 6.4 được ứng dụng rộng rãi trong nhiều lĩnh vực công nghiệp khác nhau, bao gồm:
- Công nghiệp nhựa: Máy bơm được ứng dụng trong quá trình sản xuất và định hình sản phẩm nhựa.
- Công nghiệp điện tử: Máy bơm được ứng dụng trong quá trình sản xuất và kiểm tra mạch điều khiển và linh kiện điện tử.
- Chế biến thực phẩm và đồ uống: máy bơm được ứng dụng để chế biến và đóng gói bảo quản thực phẩm, đồ uống
- Ngành y tế: được ứng dụng trong các hệ thống bơm hút chân không tại các bệnh viện. Đồng thời còn được ứng dụng trong các quy trình sản xuất dược phẩm
5. Tiêu chuẩn
Máy bơm chân không vòng dầu 1 cấp Becker O 6.4 đã đáp ứng đủ tiêu chuẩn Quốc tế về bơm chân không. Tiêu chuẩn về bảo vệ môi trường và an toàn khi sử dụng.
6. Tư vấn
6.1 Tư vấn lắp đặt
- Để máy bơm có thể hoạt động bền, không bị ảnh hưởng bởi xung quanh. Người dùng nên lắp đặt tại các vị trí thoáng mát, có bề mặt phẳng chắc chắn. Đồng thời tại vị trí lắp đặt cần có mái che để đảm bảo máy không bị ảnh hưởng bởi thời tiết như mưa, nắng…
- Tại vị trí lắp máy cũng nên thiết kế cầu dao điện an toàn, phù hợp với điện áp của máy để đảm bảo không gây quá tải khi sử dụng.
6.2 Hướng dẫn vận hành
- Khi bắt đầu vận hành máy, người dùng cần kiểm tra mức dầu của máy để đảm bảo dầu luôn đạt mức trung bình. Tránh tình trạng để máy thiếu dầu có thể gây hại cho động cơ.
- Khởi động máy, quan sát và kiểm tra các chỉ số để đảm bảo máy hoạt động ổn định
6.3 Hướng dẫn bảo dưỡng
Để đảm bảo máy luôn bền, hoạt động ổn định, người dùng cần tuân thủ theo hướng dẫn bảo dưỡng của nhà sản xuất. Người dùng cần thường xuyên kiểm tra máy, thay dầu định kỳ để bảo vệ máy bơm luôn hoạt động tốt nhất
Bơm chân không vòng dầu 1 cấp Becker O 6.4 là sự lựa chọn hoàn hảo cho các ứng dụng yêu cầu chân không ổn định, bền bãi và hiệu quả cao. Hãy liên hệ Navatech để được tư vấn chi tiết hơn về sản phẩm này bạn nhé.




